光电耦合器组成的脉冲电路

图1、用光电耦合的多谐振荡器
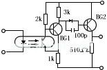
二、用光电耦合器组成的双稳态电路
用光电耦合器组成双稳态电路如图2所示。
电路接通电源后的稳态是BG截止,输出高电位。在触发正脉冲作用下,ib 增加使BG进入放大状态,形成ib↑→if↑→ib↑↑,结果BG截止,这种电路比普通的触发顺具有更高的抗干扰能力。若设BG的极限电流Ic=6毫安,则R2=取为:
R2≥(13-1)/(6×10 )=24欧
限流电阻R1可按下式计算
R1≥(E-IbmRce2min)/Ibm
式中:Ibm是晶体管的最大基极电流,Rce2min是光敏三极管集射间的最小电阻值。
图2、用光电耦合的双稳态电路
三、 用光电耦合器组成的整形电路
由于用光电耦合器组成的脉冲耦合电路,其前后沿时间都比较大,因此在耦合器后面接一级晶体管的整形放大电路。见以下列出几种整形电路的应用实例。
光电耦合-晶体管整形电路

说明 这是一种施密特整形电路,因为不管输入是失真方波、正弦波还是锯齿波,在输出端均得到方波
光电耦合-固定组件整形

说明 光电耦合器的输出接一与非门时行整形
反相整形

说明 光电耦合器的输出端后面连接两级与非门,构成反相整形
快速整形

说明 光电耦合器的输出端后面连接两只晶体管,构成同相整形电路
四、用光电耦合器组成的斩波电路
直接斩波电路

说明 输出Ei被测电压,经斩波取样后送到编码器里进行编码测量,当A点是低电位,B点为高电位时,GD1导通,GD2截止,被测电压Ei直接送到输出端,反之,A点高电位,B点低电位,GD1截止,GD2导通,C经GD2放电,输出端回到零。比普通的晶体管或场效应管斩波器具有更高精度
隔离式斩波电路(I)

说明 当斩波脉冲输入时,BG导通,则GD导通,输入边的ui传至输出边,而uo正比于ui但相位相反,反之,斩波脉冲为零时,GD截止,uo为高电平,比普通用变压器隔离的调制器,精度高,因变压器电压不能太大,引起输出脉冲波顶不平。
隔离式斩波电路(II)
说明 用两只GD1及GD2。其中GD1作开关器,当斩波脉冲输入时,GD1导通,ui反相传至GD2的输出边,使uo与输入ui及斩波脉冲隔离起来。
本文出自家电维修网: http://www.bjjdwx.com/wz/2008-12-05/1183.html欢迎转载,转载请保留链接。- 刊登此文只为传递信息,并不表示赞同或者反对作者观点。
- 如果此内容给您造成了负面影响或者损失,本站不承担任何责任。
- 如果内容涉及版权问题,请及时与我们取得联系。

文章评论